Knowledge

July 15, 2025
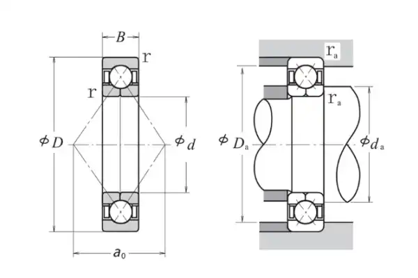
What's the Role of Contact Angles in Angular Contact Ball Bearings?

July 15, 2025
What's the Unique Raceway Design of 4 Point Contact Ball Bearing?

July 16, 2025
How do spherical roller bearings absorb heavy radial and axial loads?

July 16, 2025
Why Choose Full Complement Cylindrical Roller Bearings Over Caged Types?

July 16, 2025
How Is Lubrication Managed in a Precision Angular Contact Ball Bearing?

July 16, 2025
How Does a Four Point Contact Ball Slewing Bearing Absorb Axial Forces?

July 17, 2025
How Is Backlash Controlled in an Internal Gear Slewing Bearing?
(1).webp)
July 17, 2025
What Makes a Three-Row Roller Slewing Bearing Handle High Tilting Moments?
Go to page
2/94

